Liên hệ
MULTI TURN TYPE
MA series, multi-turn actuators have electronic torque sensors that can work with a remote control with torque range of 1kg/m to 180kg/m. Also suitable for gate valves.
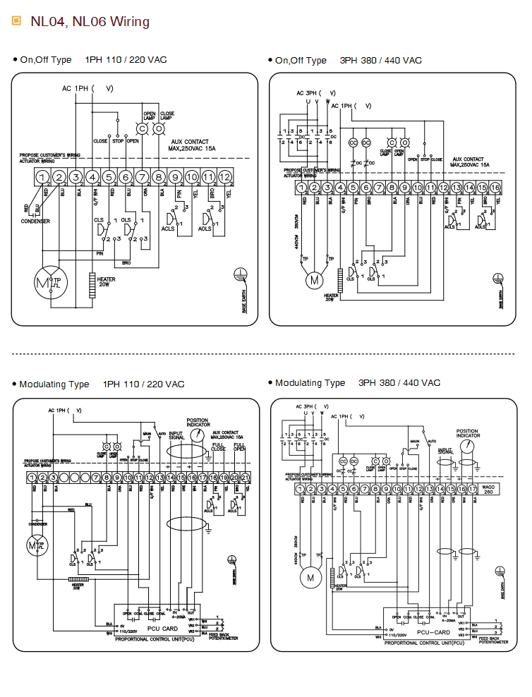
SL & NL series are linear actuators that offer best fit for variety of applications and can be integrated with sophisticated control application providing precise position feedback and accurate control. Also suitable for globe valves ranging from 15A to 150A. Thrust range from 4KN to 25KN and available in both DC and AC voltage.






CÔNG TY TNHH KỸ THUẬT SVST